
1.米勒效应
米勒效应(Miller effect)以杰出电子工程师约翰·米尔顿·米勒的名字命名,是指在电子电路中,在进行功率放大时,输入输出间的电容特性会呈线性增长的现象,特别是在晶体管放大电路与运算放大器放大电路,以反相放大电路为例,电路在放大运行时,不仅功率被得到了放大,同时,输入输出间的等效电容,也会得到放大,若电压被放大了N倍,则该电容值会被放大1+N倍。
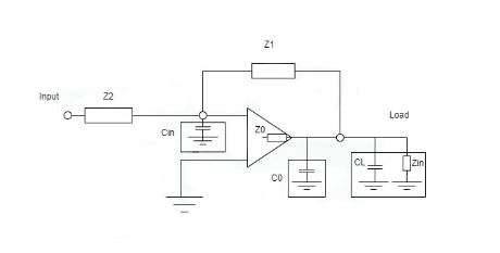
虽然一般密勒效应指的是电容的放大,但是任何输入与其它高放大节之间的阻抗也能够通过密勒效应改变放大器的输入阻抗。
在MOSFET中也有一个由于电容引起输出变化的一个概念,叫做米勒平台,它是MOSFET动态特性的关键参数,也是影响开关性能的重要阶段。
米勒电容(CMil)是电子电路,特别是放大器电路中的一个关键参数。它量化了由于米勒效应导致的节点间电容的简单增加,这种效应在具有电压增益的器件中很常见。米勒电容的公式由实际电容C(晶体管输入输出间的实际电流)和电压增益N(dB)之间的关系推导而来:CMil=C×(1+N)。
米勒电容方程表明,节点间的有效电容与实际电容成正比,并随电压增益而放大。这种关系强调了放大效应对电路显式电容的影响。
2.MOSFET中的米勒效应
同样的,MOSFET中也有米勒效应,其名为米勒平台。
MOSFET的米勒平台同样与其输入输出间的等效电容(寄生电容)有关,该参数一般会在MOSFET的Datasheet中给出的电荷的数值体现出来,所以只要知道电荷数,根据公式电荷Q=C*V,就可算出米勒电容。
不过需要注意的是,Datasheet中的电荷Q值是高度依赖于测试的电压和其他测试条件的。
以下面台奕的MOSFET器件TN3400NSA为例,动态特性表格中的QG(tot),QGS和QGD就是在表征MOSFET开启/关闭所需要多少的充电/放电的栅极电荷。多需要的电荷量越多,开启/关闭的速度就越慢,开关损耗也就越大。在开关电路的使用中这一点尤其重要。
我们可以根据MOSFET的物理结构,以及其寄生参数,等效出其物理模型如下所示:
由该模型可以看出,栅极与漏极之间存在寄生电容CGD,栅极和源极之间存在寄生电容CGS,此外源极和漏极之间也存在寄生电容CDS,模型右侧是器件开关时的电压电流波形。
我们可将MOSFET在开关过程中,米勒平台的变化,对MOSFET的开关过程分段如下:
①.开启过程详情
0~t1:驱动电路通过MOSFET的栅极,对MOSFET的寄生电容进行Cgs充电,通过Q=C*V,我们知道栅极电压不断上升。
t1~t2:栅极电压Vgs上升到MOSFET阈值电压Vth,MOSFET开始导通,器件电流Id从0开始上升,但器件并没有完全导通,故漏极电压Vd不变,随着栅极充电,Vgs继续上升。
t2~t3:在t2时刻,Vgs上升至米勒平台电压Vgs(plateau),意味着Cgs已经充满,极电流Id已经达到饱和(Id=Vds/Rdson),由于MOSFET已经完全导通,故Vds开始下降,电荷就会通过Cgd流向源极S,但同时栅极还在继续对Cgd进行充电,这样针对于Cqd的一充一放,就导致了栅极电压呈现出变化缓慢或者不变的情况,这个栅极电压不变的阶段就是米勒平台。
t3~t4:当Vds下降到低并且不在变化后,也意味着Cgd的充放电的结束。但驱动电路会对栅极的QG(tot)继续充电,直至充满。
下图为实测波形,我们可以清楚地看到其开启过程中米勒平台的存在:
②.关闭过程详情
关闭过程也就是对栅极电荷的放电过程,如下图所示:
t1~t2:驱动电路对栅极进行放电,Vgs下降漏极电流Id不变;
t2~t3:栅极电压Vgs下降到米勒平台电压Vgs(plateau),同开启一样,Cgd在驱动电路和Vds的充放电拉扯下使得栅极电压Vgs下降速度变化或不在下降,出现了下降过程中的米勒平台。
t3~t4:当Vds到达大值后,一位置Cgd的充放电结束,Vgs继续下降到Vgs(th),MOSFET开始关闭,电流lds开始下降直到完全关闭。
3.IGBT中的米勒效应
米勒效应在绝缘栅双极型晶体管(IGBT)的工作原理中也起着重要作用,且对其对输入和输出端的影响尤为显著。当栅极施加电压时,它会控制集电极和发射极之间的导电性。米勒效应会放大该电压,从而导致集电极和发射极之间的有效电容增大。
同样的:栅集电极电容(Csub)也是IGBT中的一个关键参数。由于晶体管的电压增益特性,栅集电极电容上的电压会被放大,从而产生米勒效应。
输入电容增大:栅极-集电极电容的显著增大有效地增加了IGBT的输入电容,从而影响设备的输入阻抗。图中展示了这种现象,图中显示了由于米勒效应而产生的额外电容(Csub)。
对开关速度的影响:米勒效应会影响IGBT的开关速度。随着输入电容增大,对该电容进行额定值调节和放电所需的时间会影响开关特性,可能导致延迟并影响器件的整体性能。
米勒电容方程表明,节点间的有效电容与实际电容成正比,并随电压增益而放大。这种关系强调了放大效应对电路显式电容的影响。
米勒效应是指电压放大导致电容线性增长的现象,它对数字电路的频率响应有着显著的影响。理解米勒电容如何影响频率响应,对于设计能够在多个频率范围内优化工作的电路至关重要。
•高频滚降:米勒效应会显著增大电路中正极节点处的电容,导致高频滚降。随着频率的升高,放大的电容值会越来越大,从而影响高频阻抗。这种现象会导致电路的截止频率降低。
•带宽限制:米勒电容会在电路带宽范围内引入障碍。扩展的有效电容会影响电路中的时间常数,导致高频响应速度变慢。对于需要宽频带范围的程序来说,这种带宽限制是一个需要特别注意的问题。
•相移:米勒效应也会导致频率响应中的相移。由于电容随频率增加而增大,它会影响输入和输出信号之间的相位关系。这种相移在反馈电路中可能尤为复杂,如果处理不当,可能会导致系统不稳定。
•高频性能受损:在高频应用中,米勒电容会影响电路的整体性能。例如,放大器在高频下的性能也会下降,从而影响其在整个频率范围内增强信号的能力。
•缓解策略:工程师采用多种策略来减轻米勒电容对频率响应的不利影响。这些策略包括使用补偿技术、采用带宽增强型电路拓扑结构,以及精心选择参数值以平衡增益和带宽之间的权衡。
4.对放大器稳定性的影响
米勒电容对放大器稳定性的影响是电子电路设计中的一个重要考虑因素。
稳定性对于确保电路可靠且可预测的行为至关重要,尤其是在音频放大器和射频系统等应用中。接下来,我们将探讨米勒电容如何影响放大器的稳定性,并借助图示进行说明。
对反馈网络的影响:放大器通常包含反馈网络,用于改变增益和增强平衡。米勒电容会在这些网络中引入明显的电容增加,从而影响整个反馈回路。
相移和不稳定性:由于米勒效应,电容放大会在反馈回路中引入相移。过大的相移会导致放大器内部出现不稳定、振荡和不可预测的行为。
稳定性补偿:为了抵消米勒电容带来的不稳定影响,需要采用补偿策略。常用技术包括中和电路和补偿电容的策略性布置,以在不影响其他性能参数的前提下恢平衡。
放大器稳定性
示意图:该图描绘了一个带有反馈回路的放大器电路,并突出显示了带有米勒电容的节点,以直观地展示其对平衡的影响。该图展示了电容的简单增加如何影响反馈机制,导致频率偏移和性能不稳定。
米勒电容的优点和缺点
下面列出了米勒电容的优点和缺点
优势
电压放大:米勒电容有助于放大器中的电压放大。它通过有效增加电容,在正向配置下实现更高的电压增益,从而提升放大器件的整体性能。
频率补偿:在某些情况下,米勒电容可以提供一定程度的频率补偿,从而在滤波网络和其他频率结构电路中获得定制响应。
简化设计:在正放大器配置中,米勒电容可以通过促进各级之间的耦合来简化设计考虑,从而减少对额外添加剂的需求。
缺点
频率限制:米勒效应放大电容会阻碍电路在高频率下的响应。这会导致带宽降低,并在更高频率下性能下降。
阻抗变化:米勒电容会改变电路的阻抗特性,影响输入阻抗和输出阻抗。这会使阻抗匹配变得复杂,并影响电路的整体平衡。
相移和不稳定性:电容的增加会在反馈回路中引入相移,导致放大器不稳定。不受控制的不稳定性还可能导致振荡和不可预测的行为。
5.米勒电容的应用
振荡器:在振荡器的设计中,保持平衡和控制频率至关重要,米勒电容可以在塑造频率响应和特性方面发挥作用。
混频器和调制器:米勒电容可应用于混频器和调制器,有助于通信结构中的信号处理和频率转换功能。
压控振荡器 (VCO):米勒电容是 VCO 的一个因素,VCO 可能是频率合成器中的关键添加剂,有助于产生可变频率信号。
模拟滤波器:在模拟滤波器输出电路中,米勒电容会影响低通滤波器、高通滤波器和带通滤波器的特性,从而影响它们的频率响应。
光电探测器:在光电子应用中,除了光电探测器之外,米勒电容还可以影响器件的响应时间和带宽。
射频接收机中的混频电路:米勒电容是射频接收机内部混频电路中需要考虑的因素,它会影响信号处理和下变频层。
锁相环 (PLL):米勒电容会影响锁相环的稳定性和整体性能,锁相环通常用于频率合成和同步封装中。
开关电容电路:在开关电容电路中(常用于模拟信号处理),米勒电容会在开关操作的某个时刻对强大的电容产生影响。
电压调节器:在电压调节器中,特别是那些用于电源控制电路的电压调节器中,米勒电容会影响调节器的稳定性和瞬态响应。
延迟线:在某些程序(如相控阵天线)中,米勒电容可能是延迟线的一个考虑因素,它会影响信号传播时间。
6.结论
简而言之,米勒效应在电子电路设计中是一把双刃剑。它能够增强电压放大,并在放大器和滤波器等众多电路中得到应用,但其缺点包括频率限制和电容不稳定性。工程师需要巧妙地权衡利弊,既要充分利用其优势,又要采用补偿技术来控制其负面影响。在不断发展的技术环境中,深入了解米勒电容对于在各种应用中构建可靠高效的数字系统至关重要。

关注公众号